第 一道合金清扫器(YQ-DTEH)
所属分类:合金清扫器
产品简介:用途:安装前的重要提示1. 安装之前,必须熟知工作中所用相关设备的安全···
配套服务:支持定制 物流配送 免费安装 使用培训
安装前的重要提示
1. 安装之前,必须熟知工作中所用相关设备的安全操作规程以及施工现场的安全生产规范。
2. 切断输送机的启动电源,挂上“有人操作,禁止合闸”的警示牌。
3. 如果设备在井下或密闭的区域内,动用割枪或电焊之前,必须对煤气和灰尘含量进行检测。确认煤气和灰尘含量在安全值范围内方可操作,否则,可能发生事故。
4. 使用割枪或电焊对皮带输送机架开孔前,应使用阻燃罩将输送机皮带罩住,否则将有可能损坏皮带。
5. 安装工作完毕,在启动输送机皮带之前,应将安装区域内和输送机皮带上的工具、铁器、焊渣等收拾干净。否则将有可能造成严重的人身伤害,或者导致输送机皮带的损坏。
6. 在输送机运行状态下,如果要调整清扫器的张紧力,操作时千万要小心谨慎,防止手中的工具、身体或衣服被卷入输送带,导致严重的人身伤亡。对于维护的操作,请在停机状态下进行,切记!
产品说明
输送带输送的物料往往带有粘性物质,如煤尘、泥浆、粉状物料,其中一部分会粘在输送带工作面上,在卸料时不能完全卸掉,随着皮带运转会粘在托辊上,长时间会造成以下后果:
1. 物料进入托辊的壳体内,从而增大轴承磨损,托辊壳体粘上物料会损伤和拉毛输送带的面胶,加速输送带损坏。
2. 粘着物进入尾轮和改向滚筒,物料会粘在滚筒表面上,且越粘越多,造成输送带跑偏,增加输送带磨损,酿成不良后果。
3. 物料粘在驱动滚筒上,加大对滚筒的摩擦力,会引起输送带面胶和滚筒包胶层的损坏。
4. 物料没有及时清除,在整个工作通道内会形成落料区,造成环境污染,清扫劳动量增加,影响员工身心健康,增加企业成本。
因此,为保证带式输送机正常运转,必须将输送带上的附着物清扫干净。如果清扫装置良好,对托辊、输送带等的寿命都可以延长。由此可见,清扫器在带式输送机上有着不可忽视的作用。
DTEH合金清扫器为头道清扫器,安装在带式输送机头部滚筒,利用橡胶弹性块的弹性性能,可自动调节清扫器刮刀与输送带之间的接触压力,橡胶弹性块的缓冲作用,保证了刮刀与运行皮带受力在合适的范围之内,使得清料干净又不损坏皮带。该产品采用了高耐磨特种硬质合金刮刀,加上较好的综合机构性能,延长了产品的使用寿命;结构紧凑,配制合理,使得产品轻便、美观、易于操作;备件的互换性及可调性,便于安装调试、更换维修。
规格编号说明

结构示意图

表一(mm)
带宽 | B | L | D | L1 | L2 | α | 带宽 | B | L | D | L1 | L2 | α | |
500 | 400 | 1400 | 500 | 410 | 90 | 30o | 1200 | 1200 | 2200 | 1400 | 566 | 612 | 15o | |
650 | 600 | 1600 | 500 | 410 | 90 | 1600 | 592 | 709 | ||||||
630 | 434 | 164 | 1400 | 1400 | 2400 | 800 | 490 | 323 | 15o | |||||
800 | 800 | 1800 | 500 | 410 | 90 | 1000 | 515 | 418 | ||||||
630 | 434 | 164 | 1250 | 548 | 540 | |||||||||
800 | 490 | 323 | 15o | 1400 | 566 | 612 | ||||||||
1000 | 515 | 418 | 1600 | 592 | 709 | |||||||||
1250 | 548 | 540 | 1600 | 1600 | 2600 | 1000 | 515 | 418 | 15o | |||||
1400 | 566 | 612 | 1250 | 548 | 540 | |||||||||
1600 | 592 | 709 | 1400 | 566 | 612 | |||||||||
1000 | 1000 | 2000 | 630 | 434 | 164 | 30o | 1600 | 592 | 709 | |||||
800 | 490 | 323 | 15o | 1800 | 1800 | 2800 | 1000 | 515 | 418 | 15o | ||||
1000 | 515 | 418 | 1250 | 548 | 540 | |||||||||
1250 | 548 | 540 | 1400 | 566 | 612 | |||||||||
1400 | 566 | 612 | 1600 | 592 | 709 | |||||||||
1600 | 592 | 709 | 2000 | 2000 | 3000 | 1000 | 515 | 418 | 15o | |||||
1200 | 1200 | 2200 | 630 | 434 | 164 | 30o | 1250 | 548 | 540 | |||||
800 | 490 | 323 | 15o | 1400 | 566 | 612 | ||||||||
1000 | 515 | 418 | 1600 | 592 | 709 | |||||||||
1250 | 548 | 540 |
安装步骤
1. 按照发货清单,开箱检查,箱内应有主机架(装有刀片),左右安装支架、轴座及相应安装紧固螺丝等配置。
2. 请仔细阅读安装操作说明书,了解DTEH清扫器的组成结构。
3. 安装前先检查皮带是否有破损和加固金属,如破损面超过100mm2、铁钉、铁扣接头都不能安装此清扫器。
4. 将驱动滚筒表面的附着物清理干净,使清扫刀片能够平稳工作。
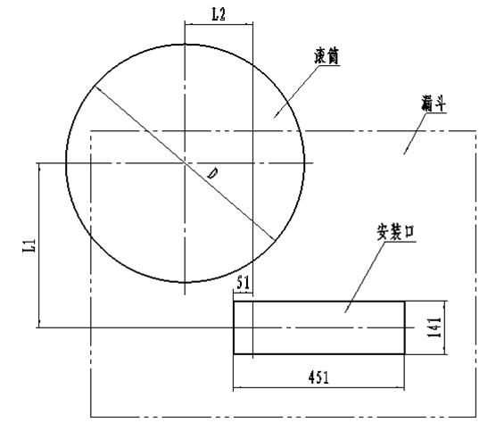
5. 确认滚筒直径,参照下图尺寸开安装口。

表二(mm)
滚筒直径D | 500 | 630 | 800 | 1000 | 1250 | 1400 | 1600 |
L1 | 410 | 434 | 490 | 515 | 548 | 566 | 592 |
L2 | 90 | 164 | 323 | 418 | 540 | 612 | 709 |
6. 安装口开好后参考L1、L2尺寸把调整架焊接在头部机架横梁上,保证轴座在调整架上有上下调整的余地。
7. 把清扫器装在调整架上,让清扫刮刀轻微接触皮带表面,然后把紧固螺栓轻轻拧紧。
8. 通过调整螺栓把清扫刮刀调到与滚筒轴线成平行,夹角参考表一。然后用Φ10mm钢棍两根串入轴杆两端加压孔内,把清扫刮刀与皮带的接触力加到100至150N,然后把所有螺栓锁紧。
注:清扫刮刀与皮带面接触要平均,不得一头接触一头有间隙,工作压力要适当,不能过大或过小,过大磨损大,影响皮带和弹性体的使用寿命,过小清扫效果不好。
维护保养
1. 清扫下来的粘附物堆积在清扫刮刀和弹性体上会影响清扫效果及使用寿命,应及时清理掉。
2. 弹性体时间过长会老化、开胶、弹性减退,各紧固螺栓时间长了会松动脱落,要及时检查更换,防止损坏清扫器、划伤皮带。
3. 更换备件时刮刀、弹性体要平整,不准许靠给压调平,否则会影响清扫效果。
4. 每月检查一至两次清扫刮刀的工作压力,及时调压。















微信扫一扫加好友
截屏,微信识别二维码关注公众号
微信号:19932387533
(点击微信号复制,添加好友沟通)